Free service manuals




 



Free Service Manual / Kostenloser Download von Handbüchern / Manuels à télécharger gratuitement / Gratis nedladdning av manualer / descargar manuales gratis / 免費下載手冊 / Kılavuzları ücretsiz indirme /Ingyenesen letölthető kézikönyvek / Manuali scaricabili gratuitamente Information

preview


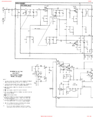
BrandHeathkit
Type
number
cr-1000a Stereo tuner
Product
Year


Please read this before you donate.

Donations are not automatically linked to a manual.

I use them to maintain this website.

If you see a preview of the manual, you can immediately download it for free.

If you don't see an image, don't hesitate to request this manual by E-MAIL

I will then post the manual as soon as possible and inform you.

And... if you managed to fix your old radio, don't forget to listen

to radio caroline on 648 medium wave.



Digitized in high quality by www.freeservicemanuals.info Netherlands. Some service manuals contain a quick reference guide.


Liability

Wil Manshande, nostatech en freeservicemanuals.info cannot be held responsible for any damage caused by using this website or any of the provided service manuals. Nor can any of the manufacturers of the devices be held responsible.